中国政府网
湖南省政府网
衡阳市政府网
无障碍浏览
设为首页
加入收藏
网站首页
(current)
ios版本taptap
ios怎么taptap
ios怎么taptap登陆
ios版怎么下载taptap
ios下taptap
搜 索
当前位置:
首页
>
ios版本taptap
>
taptap安装正版
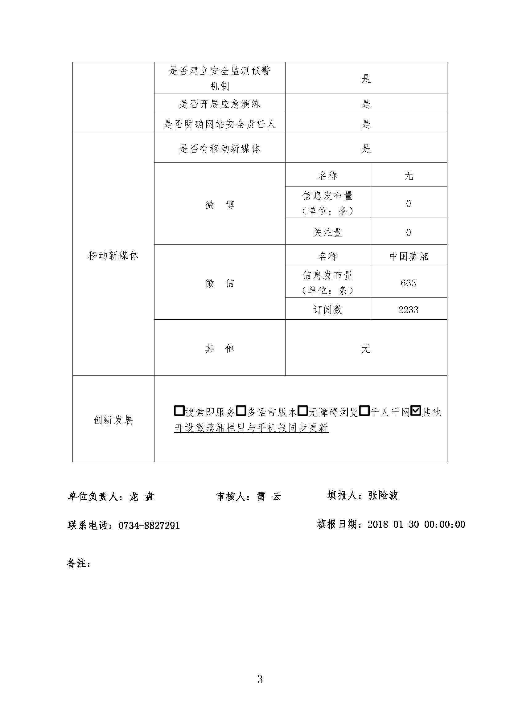
中国蒸湘党政门户网2017政府网站工作年度报表
蒸湘区人民政府门户网站 www.paiwas.com 发布时间:2018-01-30
【字体:
大
中
小】
信息来源: 区信息化办
打印
map